Over-, under- and residual voltage relay with frequency protection VAMP 135
The VAMP 135 presents a very cost-effective protection scheme. The relay includes a combination of voltage and frequency protection functions. The relay is ideal in power plants, utilities and industrial plants.
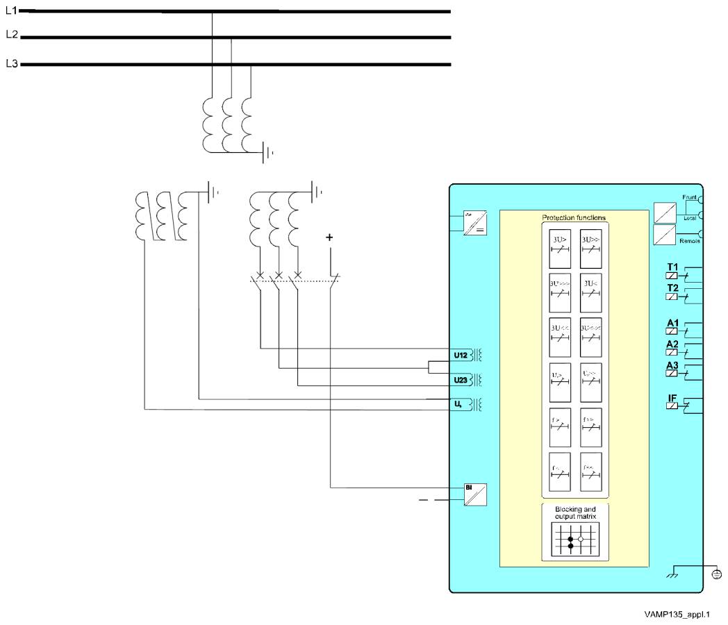
Connection modes
- Phase Mode
- The relay is connected to phase voltages UL1, UL2 and UL3.
- The main voltages are calculated using the measured phase voltages.
- The residual voltage is calculated using the measured phase voltages.
- No open-delta transformer is needed.
- Line Mode
- The relay is connected to line voltages U12, U23 and U31.
- The residual over voltage stages U0> and U0>> are not available.
- Line Mode+U0
- The relay is connected to main voltages U12, U23 and to a residual voltage U0.
- The line voltage U31 is calculated using the two measured line voltages.
Standard features
- Circuit breaker failure
- Disturbance recorder
- Trip circuit supervision
Protection
- Three overvoltage stages
- Three undervoltage stages
- Two residual overvoltage stages
- Two overfrequency stages
- Two underfrequency stages